建設項目竣工環境保護驗收監測報告
項目名稱: 年產160萬套緩衝組件和12萬米電纜護套項目
建設單位: 山東午夜宅男视频高分子科技有限公司齊河分公司
山東午夜宅男视频高分子科技有限公司齊河分公司
二О一八年四月
目 錄
一、驗收項目概況................................................................................................................................1
二、驗收依據........................................................................................................................................2
2.1 法律法規依據..........................................................................................................................2
2.2 技術文件依據..........................................................................................................................2
三、建設項目工程概況........................................................................................................................4
3.1工程基本情況...........................................................................................................................4
3.2主要原輔材料及燃料...............................................................................................................7
3.3主要生產設備及環保設施.......................................................................................................7
3.4生產工藝流程...........................................................................................................................8
四、環境保護設施..............................................................................................................................12
4.1 汙染物治理/處置設施 ..........................................................................................................12
4.2 環保設施投資及“三同時”落實情況................................................................................13
五、建設項目環評報告的主要結論與建議及審批部門審批決定..................................................155.1建設項目環評報告的主要結論與建議.................................................................................15
5.2環評批複要求.........................................................................................................................16六、驗收執行標準..............................................................................................................................17
6.1 廢水控製標準........................................................................................................................17
6.2 廢氣控製標準........................................................................................................................17
6.3 噪聲控製標準........................................................................................................................17
6.4 固體廢棄物檢查標準............................................................................................................17
6.5總量控製標準.........................................................................................................................18
七、驗收監測內容..............................................................................................................................19
7.1 環境保護設施調試效果........................................................................................................19
八、質量保證及質量控製..................................................................................................................20
8.1監測分析方法.........................................................................................................................20
8.2 人員資質................................................................................................................................20
8.3 廢氣監測分析過程中的質量保證和質量控製....................................................................20
8.4 噪聲監測分析過程中的質量保證和質量控製....................................................................20
九、驗收監測結果與分析評價..........................................................................................................21
9.1 生產工況................................................................................................................................21
9.2 環境保護設施調試效果........................................................................................................22
十、環境管理檢查..............................................................................................................................27
10.1環境管理規章製度的建立及執行情況...............................................................................27
10.2環境保護檔案管理情況檢查...............................................................................................27
10.3環保治理設施的完成、運行、維護情況檢查...................................................................27
10.4廠區環境綠化情況...............................................................................................................27
十一、驗收監測結論..........................................................................................................................28
11.1環境保護設施調試效果.......................................................................................................28
11.2 結論......................................................................................................................................28
附圖:
附圖一、項目地理位置圖
附圖二、項目車間平麵布置圖
附圖三、項目周邊敏感目標圖
附圖四、項目車間照片
附圖五、項目廠界噪聲監測點位圖
附圖六、項目廢氣無組織監測點位圖
附件:
附件一、項目環評批複
附件二、環境管理製度
一、驗收項目概況
山東午夜宅男视频高分子科技有限公司齊河分公司年產 160萬套緩衝組件和 12萬米電纜護套項 目屬於新建項目,位於齊河縣經濟開發區經六路中段西側門,設計年產 160 萬套緩衝組件和 12萬米電纜護套,占地 2508m2。該項目現有員工 20人,實行一班工作製,每天工作 8小時, 年工作 300天。該項目於 2017年由齊河縣發展和改革局批準立項。根據《中華人民共和國環 境影響評價法》和中華人民共和國國務院 682 號令《建設項目環境保護管理條例》中有關規 定,山東午夜宅男视频高分子科技有限公司齊河分公司於 2017年 12月委托時代盛華科技有限公司 編製完成了本項目的環境影響報告表。2017年 12月 22日齊河縣環境保護局對其進行了批複, 批複文號:齊環報告表[2017]321號。2018年 1月項目開工建設,2018年 3月該項目現有生 產設施和配套的環保設施運行正常,因企業生產設備未上全,並在一段時間內暫時不進新設 備,故企業申請分批進行環保驗收。
該項目驗收範圍為與本項目有關的各項環境保護設施和環境影響報告表規定應采取的其 他各項環境保護措施。驗收內容為各項環境保護設施能否正常運行,處理效率和處理後汙染 物排放情況是否達標,所采取的環境保護措施是否有效。
受山東午夜宅男视频高分子科技有限公司齊河分公司委托,山東驍然檢測有限公司承擔本項目 竣工環境保護驗收監測工作。根據國環規環評[2017]4 號文《關於發布<建設項目竣工環境保 護驗收暫行辦法>的公告》及其附件《建設項目竣工環境保護驗收暫行辦法》的規定和要求, 山東驍然檢測有限公司技術人員於 2018年 3月對本項目進行了現場勘查和資料核查,查閱了 有關文件和技術資料,檢查了汙染物治理及排放、環保措施的落實情況,在此基礎上編製了 驗收監測方案。2018年 3月 30日-31日對該項目進行了驗收監測。
在現場檢查、資料核查和監測數據的基礎上,山東午夜宅男视频高分子科技有限公司編製本驗 收監測報告。
二、驗收依據
2.1 法律法規依據
(1)《中華人民共和國環境保護法》(2015.1);
(2)《中華人民共和國環境影響評價法》(2016.9);
(3)《中華人民共和國大氣汙染防治法》(2016.1);
(4)《中華人民共和國水汙染防治法》(2018.1);
(5)《中華人民共和國環境噪聲汙染防治法》(1997.3);
(6)《中華人民共和國固體廢物汙染環境防治法》(2016.11);
(7)《中華人民共和國突發事件應對法》(2007年 8月);
(8)國務院令 682號修訂《建設項目環境保護管理條例》(2017.7.16);
(9)《關於建設項目竣工環境保護驗收現場檢查及審查要點的通知》(環辦【2015】113號);
(10)環境保護部《建設項目竣工環境保護驗收暫行辦法》(2017.10.1);
(11)《建設項目竣工環境保護驗收技術指南 汙染影響類》環辦環評函[2017]1529號;
(12)《關於印發<德州市環境保護局建設項目竣工環境保護驗收實施方案>的通知》(德環
函[2018]10號);
(13)環境保護部國環規環評〔2017〕4號《關於發布<建設項目竣工環境保護驗收暫行辦法>
的公告》2017年 11月 20日;
(14)《關於印發環評管理中部分行業建設項目重大變動清單的通知》(環辦[2015]52號)
(15)《大氣汙染物綜合排放標準》(GB16297-1996);
(16)《汙水排入城鎮下水道水質標準》(GB/T 31962-2015);
(17)《工業企業廠界環境噪聲排放標準》(GB12348-2008);
(18)《一般工業固體廢物貯存、處置場汙染控製標準》(GB18599-2001)及其 2013 年修改單;
2.2 技術文件依據
(1)《山東午夜宅男视频高分子科技有限公司齊河分公司年產 160萬套緩衝組件和 12萬米電纜護套項目環境影響報告表》(時代盛華科技有限公司,2017.12);
(2)《山東午夜宅男视频高分子科技有限公司齊河分公司年產 160萬套緩衝組件和 12萬米電纜護套項目環境影響報告表的審批意見》(齊環報告表[2017]321號);
(3)《山東午夜宅男视频高分子科技有限公司齊河分公司年產 160萬套緩衝組件和 12萬米電纜護套項目檢測報告》(山東驍然檢測有限公司,2018.4)。
三、建設項目工程概況
3.1工程基本情況
3.1.1項目名稱:年產 160萬套緩衝組件和 12萬米電纜護套項目。
3.1.2項目性質:新建。
3.1.3工程規模:年產 160萬套緩衝組件和 12萬米電纜護套項目。
3.1.4地理位置及廠區平麵布置
山東午夜宅男视频高分子科技有限公司齊河分公司位於齊河縣經濟開發區經六路中段西側門,為租賃山東八達國際工程機械有限公司廠房,東臨經六路,南臨京福高速,西臨在建廠房,北臨山東嘉豪裝飾材料有限公司。本項目地理位置圖見附圖一。
該項目環評未設置大氣環境防護距離,本項目衛生防護距離為 100 米,距離本項目生產車間最近的環境敏感目標為東側的雙廟宋村(150m)。該項目周邊環境敏感點分布情況見附圖二。
該項目租賃的廠房成矩形,東、西廠界各設 1 個出入口,供人流、物流通過。西側為空廠房未用,中間設一個門隔開東西廠房,北側設置生產區,南邊為倉庫和發貨區。廠區平麵布置見附圖三。
3.1.6項目組成
該項目主要從事緩衝組件和電纜護套的生產,設計年產 160萬套緩衝組件和 12萬米電纜護套,實際總投資 100萬元。該項目主要建設內容包括主體工程、輔助工程、公用工程和環保工程,如表 3-1所示。
3.2主要原輔材料及燃料
該項目所用原輔料見表 3-2。
3.3主要生產設備及環保設施
本項目主要生產設備見表 3-3。
本項目主要的環保設施見表 3-4。
3.5給排水
該項目用水主要為生產用水和生活用水,生產用水為循環冷卻水,本項目設 1 個循環冷卻池,容積 0.8m³,因蒸發損耗補充新水量約為 7.2m3/a;生活用水為職工生活用水。年用水量為 300m3/a。
該項排水采用雨汙分流。本項目無生產廢水,廢水主要為職工生活汙水。
生活汙水:職工生活汙水產生量以生活用水量的 80%計,則本項目生活汙水產生量為 240m3/a。項目生活汙水經廠區化糞池處理後排入齊河縣汙水處理廠。
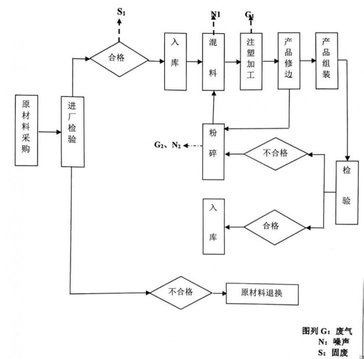
3.4生產工藝流程
生產工藝流程及產汙環節見圖 3-1和 3-2所示:
圖 3-1 電纜護套生產工藝及產汙環節圖
圖 3-2 緩衝器組件生產工藝及產汙環節圖
生產工藝流程說明:
1、電纜護套生產工藝流程及產汙環節
⑴進廠檢驗:廠家先對采購的原輔材料進行檢驗,合格的原輔料入庫,不合格的原輔料退還給賣家。此環節會產生原材料的廢包裝袋和包裝桶(S1)。
⑵混料:將顆粒狀的增韌尼龍和色母加入混料機進行混合,混料機為封閉設備,且原料均為顆粒狀,因此,此環節產汙主要為噪聲(N1),無廢氣和固廢產生。
⑶注塑加工:將混合後的原料投入注塑機,原料先經注塑機的烘幹料嘴在 100℃溫度下,烘幹 2h,使得原料的含水率達到6‰。烘幹後,通過壓力將原料推入注塑通道,在 160~170℃高溫下進行成型。成型後的半產品通過冷卻水進行間隔冷卻。增韌尼龍的熔點在 260℃左右,色母的熔點在 280℃左右,因此,加熱後原料成為半流體狀態,會產生一定的非甲烷總烴(G1)。
⑷修邊:由員工采用剪刀進行人工修剪半產品,修剪下的邊角料投入到粉碎機進行粉碎後回用於生產,因此,粉碎時會產生粉塵(G2)和噪聲(N2)。
⑸檢驗:通過拉力實驗機進行檢驗,檢驗後的合格產品入庫,不合格產品投入到粉碎機進行粉碎後回用於生產,因此,粉碎時會產生粉塵(G2)和噪聲(N2)。
2、緩衝器組件生產工藝流程及產汙環節
⑴進廠檢驗:廠家先對采購的原輔材料進行檢驗,合格的原輔料入庫,不合格的原輔料退還給賣家。此環節會產生原材料的廢包裝袋和包裝桶(S2)。
(2)加工:將聚乙烯板和午夜精品影院板通過鋸床進行裁剪,然後送入加工中心進行加工,此環節會產生噪聲(N3)和少量裁剪後的邊角料(S3)。
3.5項目變更
本項目實際建設情況與環評及批複要求變更情況見表 3-5。
四、環境保護設施
4.1 汙染物治理/處置設施
4.1.1 廢水
本項目無生產廢水產生;生活汙水由化糞池處理後,經市政汙水管網排入齊河縣惠民水質淨化廠集中處理。
4.1.2 廢氣
該項目廢氣主要包括粉碎粉塵、注塑廢氣。其主要廢氣治理/處置設施見表 4-1。
4.1.3 噪聲
該項目噪聲主要是鼓風幹燥箱、鋸床等設備運行時產生的噪聲。該項目將主要噪聲設備布置在車間內,采用安裝減振襯墊、建築隔音、距離衰減等措施降噪。
4.1.4 固體廢物
該項目生產過程中產生的固體廢物主要為聚乙烯板和午夜精品影院板邊角料、原料使用後廢棄的包裝袋、包裝桶以及員工產生的生活垃圾。該項目固廢情況見表 4-3。
4.2 環保設施投資及“三同時”落實情況
4.2.1 環保設施投資
該項目實際總投資 100萬元,實際環保投資為 20萬元,占總投資的 20%。環保投資情況見表 4-4。
4.3.2 “三同時”落實情況
該項目環保設施實際建設情況與環評情況一覽表見表 4-5。
五、建設項目環評報告的主要結論與建議及審批部門審批決定
5.1建設項目環評報告的主要結論與建議
5.1.1主要結論
(1)大氣環境影響分析
本項目產生的主要廢氣為非甲烷總烴及粉塵。非甲烷總烴經集氣罩抽負壓收集後進入UV光催化氧化處理然後通過 15米高排氣筒排放,非甲烷總烴能夠滿足《大氣汙染物綜合排放標準》(GB 16297-1996)表 2中有組織排放二級標準中最高允許排放速率限值(排氣筒高度15m,10kg/h)最高排放濃度(120mg/m3)。
粉塵經集氣罩抽負壓收集後進入布袋除塵器處理然後通過 15米高排氣筒排放。粉塵排放濃度滿足《山東省區域性大氣汙染物綜合排放標準》(DB37/2376‐2013)表 2重點控製區(排放濃度≤10 mg/m3)最高允許排放濃度限值;排放速率執行《大氣汙染物綜合排放標準》(GB 16297‐1996)表 2二級排放標準限值的要求(15m高排氣筒≤3.54kg/h)。
(2)地表水環境影響分析
本項目無生產廢水產生,隻產生生活汙水。本項目生活汙水的排放量為 240m3/a(按用水量的 80%計,共計 20人)。本項目生活汙水經化糞池處理後排入齊河縣惠民汙水處理廠集中處理,滿足《汙水排入城鎮下水道水質標準》(GBT31962-2015)表 1中 A級標準濃度限值,對周圍地表水環境影響較小。
(3)聲環境影響分析
本項目主要噪聲源為混料機、鼓風幹燥機、粉碎機以及鋸床等設備運行過程產生的噪聲,噪聲級為 85~95dB(A)。所有高噪聲設備均布置在車間內,采用安裝減振襯墊、建築隔音、距離衰減使廠界噪聲達標排放。經采取以上措施後,經預測,廠界噪聲和敏感點噪聲均能夠達到《工業企業廠界環境噪聲排放標準》(GB12348—2008)表 1 中 3類標準的要求,對周圍聲環境影響不大。
(4)固體廢物環境影響分析
本項目生產過程中產生的固體廢物主要為聚乙烯板和午夜精品影院板邊角料、原料使用後廢棄的包裝袋、包裝桶以及員工產生的生活垃圾等。本項目切割的聚乙烯板和午夜精品影院板邊角料回收後出售;廢棄的包裝袋外售;包裝桶由廠家回收再利用;生活垃圾由當地環衛部門統一清運。
通過以上分析,本項目在各項汙染防治措施得到落實的前提下,於環境保護的角度是可行的。
5.1.2建議
(1)建設單位必須認真執行“三同時”的管理製度,切實落實本環境影響分析報告中的環保措施,建立健全管理製度和監督管理製度,確保營運期各種汙染物達標排放。
(2)對於化糞池,要做好防腐、防滲處理,防止生活汙水下滲汙染地下水。
(3)固體廢物防治措施:加強垃圾資源化、減量化管理。
(4)要求項目加強車間內的通風排氣,保持車間空氣流通。同時作業點的工人作業時應佩帶口罩,並作好安全防護措施。
(5)加強企業管理的同時。強化職工的環保教育,提高環境保護的意識,加強環境管理,提倡清潔文明生產,落實好廠區綠化工作。
(6)定期檢查維修廠區內配套設備,以減少安全事故的發生。
(7)若建設方的經營規模,產品類型及加工工藝等內容發生變化,跟所提供資料差別較大,請另外去當地環保部門辦理相關環保及環評手續。
5.2環評批複要求
(1)注塑工序產生的 VOCs,通過集氣罩收集後,經 UV光氧催化裝置處理,通過 15米高排氣筒排放,確保符合《大氣汙染物綜合排放標準》(GB16297-1996)表 2中二級標準;粉碎等工序產生的粉塵經布袋式收塵設備收集處理後,經 15m高排氣筒排放,確保符合《山東省區域性大氣汙染物綜合排放標準》(DB37/2376-2013)表 2“重點控製區”排放限值及《大氣汙染物綜合排放標準》(GB16297-1996)表 2中二級標準。
(2)生活汙水經化糞池沉澱處理,確保符合《汙水排入城鎮下水道水質標準》
(GB/T31962-2015)A級標準要求後,經市政汙水管網排入齊河縣惠民水質淨化廠集中處理。
(3)營運過程中產生的機械噪聲,通過經減振、消聲、隔聲等降噪措施,確保廠界噪聲符合《工業企業廠界環境噪聲排放標準》(GB12348-2008)中的 3類標準的要求。
(4)生產過程中產生的邊角料、粉塵收集後回用於生產;廢包裝材料等收集後外售;生活垃圾集中收集後由當地環衛部門定期處理,不得隨意傾倒。
六、驗收執行標準
6.1 廢水控製標準
本項目注塑冷卻水循環使用不外排,無生產廢水產生。生活汙水由化糞池處理後,通過汙水管網進入齊河縣惠民水質淨化廠處理後達標排放。因項目職工較少生產廢水不能形成徑流,故本次不進行廢水監測。
6.2 廢氣控製標準
(1)無組織廢氣顆粒物、非甲烷總烴排放執行《大氣汙染物綜合排放標準》
(GB16297-1996)表 2無組織排放監控濃度限值。
(2)有組織廢氣顆粒物排放執行《山東省區域性大氣汙染物綜合排放標準》
(DB37/2376-2013)表 2標準要求及《大氣汙染物綜合排放標準》(GB16297-1996)表 2二級標準要求;VOCS排放執行《大氣汙染物綜合排放標準》(GB16297-1996)表 2中二級標準要求。
6.3 噪聲控製標準
該項目夜間不生產,廠界噪聲執行《工業企業廠界環境噪聲排放標準》(GB 12348-2008)表一中 3類標準要求。
6.4 固體廢棄物檢查標準
固體廢棄物屬性判定依據《國家危險廢物名錄》(部令第 39號),貯存及處理管理檢查依據《一般工業固體廢棄物貯存、處置場汙染控製標準》(GB18599-2001)及其修改單和《危險廢物貯存汙染控製標準》(GB18597-2001)及其修改單。
6.5總量控製標準
國家確定“十三五”期間將主要水汙染物 COD(化學需氧量)、氨氮和主要氣汙染物二氧化硫、氮氧化物等 4 項汙染物納入減排範圍,作為約束性指標逐級下達並考核。本項目無生產廢水,生活汙水經化糞池沉澱後排入齊河縣惠民水質淨化廠處理。本項目廢氣主要是顆粒物、非甲烷總烴,不在受控範圍內。
七、驗收監測內容
7.1 環境保護設施調試效果
7.1.1 廢氣
7.1.1.1 有組織排放
7.1.3固廢調查內容
調查本項目的固廢產生來源、性質、產生量、處理處置量及處理方式。
八、質量保證及質量控製
8.1監測分析方法
8.1.1廢氣監測
8.2 人員資質
現場采樣、分析人員均經技術培訓、安全教育後持證上崗。
8.3 廢氣監測分析過程中的質量保證和質量控製
廢氣監測質量保證按照《環境監測技術規範》和《環境空氣監測質量保證手冊》的要求與規定進行全過程質量控製。
8.4 噪聲監測分析過程中的質量保證和質量控製
廠界噪聲監測質量保證按照《環境監測技術規範》噪聲部分和標準方法有關規定進行。測量儀器和聲校準器均在檢定期限內使用;測量前後用聲校準器校準測量儀器,示值偏差不大於 0.5dB(A);噪聲在無雨雪、無雷電、風速小於 5m/s時監測。
九、驗收監測結果與分析評價
9.1 生產工況
企業根據生產需要,現有生產設備的設計產量為原設計產量的一半,驗收監測期間,滿足現有環境保護設施竣工驗收監測工況大於 75%的要求,詳見表 9-1。
9.2 環境保護設施調試效果
9.2.1廢氣
1)有組織排放
由表 9-2~9-4得出,驗收監測期間,廢氣處理裝置排氣筒出口兩天內所測顆粒物、非甲烷總烴排放濃度最大值分別為5.72mg/m3、6.78mg/m3,小於標準限值 10mg/m3、120 mg/m3,最大排放速率分別為 0.0253kg/h、0.027kg/h,小於其標準排放速率限值 3.5kg/h、10kg/h。破碎工序經布袋除塵器、注塑工序經 UV光催化氧化裝置處理後,顆粒物的排放濃度符合《山東省區域性大氣汙染物綜合排放標準》(DB37/2376-2013)表 2重點控製區標準要求,其排放速率符合《大氣汙染物綜合排放標準》(GB 16297-1996)表 2中二級標準要求。非甲烷總烴的排放濃度及排放速率符合《大氣汙染物綜合排放標準》(GB 16297-1996)表 2中二級排放標準要求。
2)無組織排放
由表 9-6 得出,驗收監測期間,無組織廢氣排放的顆粒物和非甲烷總烴最大排放濃度為0.564mg/m3和 1.34mg/m3,小於其標準排放濃度限值 1.0mg/m3和 4.0mg/m3,滿足《大氣汙染物綜合排放標準》(GB 16297-1996)表 2中無組織排放的標準限值要求。
9.2.2 噪聲監測
由表 9-7 可知,驗收監測期間,該項目晝間廠界噪聲監測結果符合《工業企業廠界環境噪聲排放標準》(GB12348-2008)3類標準要求(晝間 65dB(A)、夜間 55 dB(A))。
9.2.3固體廢棄物處置情況調查
該項目生產過程中產生的固體廢物主要為聚乙烯板和午夜精品影院板邊角料、原料使用後廢棄的包裝袋、包裝桶以及員工辦公生活產生的生活垃圾。該項目固廢情況見表 9-8。
9.2.4總量控製
國家確定“十三五”期間將主要水汙染物 COD(化學需氧量)、氨氮和主要氣汙染物二氧化硫、氮氧化物等 4 項汙染物納入減排範圍,作為約束性指標逐級下達並考核。本項目無生產廢水,生活汙水經化糞池沉澱後排入齊河縣惠民水質淨化廠處理。本項目廢氣主要是顆粒物、非甲烷總烴,不在受控範圍內。
十、環境管理檢查
10.1環境管理規章製度的建立及執行情況
山東午夜宅男视频高分子科技有限公司齊河分公司於 2018年 1月建立了《環境保護管理製度》,明確了環境保護管理職責,並嚴格執行公司環境保護管理規定。
10.2環境保護檔案管理情況檢查
與工程有關的環保檔案資料(如環評報告、環評批複、環保製度等)均由辦公室按規定進行分類、合訂、編號、存檔、保管。
10.3環保治理設施的完成、運行、維護情況檢查
該項目環保設施基本按環評要求建成,驗收監測期間運行正常。各項環保設施的日常管理維護由各車間負責,發現問題及時整改,確保環保設施的正常運行。
10.4廠區環境綠化情況
該項目廠區空地未進行綠化。
十一、驗收監測結論
11.1環境保護設施調試效果
(1)廢水
本項目無生產廢水產生,生活汙水依托廠區現有化糞池沉澱後排入齊河惠民汙水淨化廠處理。
(2)廢氣
驗收監測期間,破碎工序經布袋除塵器、注塑工序經 UV 光催化氧化裝置處理後,顆粒物的排放濃度符合《山東省區域性大氣汙染物綜合排放標準》(DB37/2376-2013)表 2 重點控製區標準要求,其排放速率符合《大氣汙染物綜合排放標準》(GB 16297-1996)表 2中二級標準要求。非甲烷總烴的排放濃度及排放速率符合《大氣汙染物綜合排放標準》( GB16297-1996)表 2中二級排放標準要求。
驗收監測期間,本項目無組織廢氣顆粒物和非甲烷總烴的排放濃度達到《大氣汙染物綜合排放標準》(GB16297-1996)表 2無組織排放監控濃度限值。
(3)噪聲
本項目晝間廠界噪聲監測結果符合《工業企業廠界環境噪聲排放標準》(GB12348-2008)1類標準要求(晝間標準值:65dB(A)、夜間 55 dB(A))。
(4)固體廢棄物
本項目聚乙烯板和午夜精品影院板邊角料、原料使用後廢棄的包裝袋屬一般工業固體廢物,收集暫存後外售綜合利用;包裝桶收集後廠家回收再利用,生活垃圾集中收集後由環衛部門集中處置,廢 UV燈管產生周期較長,項目暫未產生,待產生後立即簽訂危廢協議。
綜上所述,該項目驗收監測期間工況滿足大於 75%的要求,驗收監測結果具有代表性。該項目廢氣排放濃度、廠界噪聲強度符合環評批複的要求,該項目環境保護設施驗收合格。
11.2 結論
該項目執行了國家建設項目環境能夠保護法律法規,環保審批手續齊全;環評提出的汙染防治措施及環評批複要求基本落實到位,固體廢棄物得到合理處置;環保審批手續齊全,環保投資落實到位,環保管理機構與職責明確,建立了危廢管理體係。因此,該項目符合竣工環境保護驗收的要求。
注:1、排放增減量:(+)表示增加,(-)表示減少。2、(12)=(6)-(8)-(11),(9)=(4)-(5)-(8)-(11)+(1)。3、計量單位:廢水排放量——萬噸/年;廢氣排放量——萬標立方米/年;工業固體廢物排放量——萬噸/年;水汙染物排放濃度——毫克/升;大氣汙染物排放濃度——毫克/立方米;水汙染物排放量——噸/年;大氣汙染物排放量——噸/年。
